SSG-DFM85

Одноосный волоконно-оптический гироскоп
Загрузить техническую документацию
Загрузить брошюру

  • Диапазон измерения: -500°/с ~ +500 °/с
  • Стабильность смещения нуля: <0.1 °/ч (фикс. температура)
  • Повторяемость смещения нуля на полном температурном диапазоне: <0.3 º/ч
  • Повторяемость масштабного коэффициента на полном температурном диапазоне: 200 ppm
  • Нелинейность масштабного коэффициента: <20 ppm

Волоконно‑оптический гироскоп SSG‑DFM85 – высокоточный ДУС для навигации

Представляем волоконно‑оптический гироскоп SSG‑DFM85 — компактный и надёжный датчик угловой скорости, разработанный по технологии ВОГ. Этот датчик‑гироскоп предназначен для точного измерения угловых скоростей в системах БИНС, управления ракетами, БПЛА, а также в зонах наведения и аэронавигации. Благодаря отсутствию движущихся элементов и высокой ударопрочности, SSG‑DFM85 — очевидное решение для критически точных задач в динамических условиях.

Применение

  • Бортовые инерциальные навигационные системы (БИНС)
  • Управление ракетами и авиацией
  • Системы стабилизации и наведения БПЛА
  • Любые навигационные и аэронавигационные модули с высокими требованиями к надёжности

Ключевые преимущества

  • Отсутствие движущихся частей — полностью твердотельная конструкция без износа и смазки;
  • Ударопрочность и стабильность в динамических нагрузках;
  • Быстрый старт — гарантия готовности системы в доли секунды;
  • Компактные габариты и вес обеспечивают лёгкую интеграцию;
  • Широкая полоса пропускания и низкое энергопотребление;
  • Эффективное магнитное экранирование минимизирует помехи.

Основные технические характеристики

Параметр SSG-DFM85A SSG-DFM85B SSG-DFM85C
Диапазон угловых скоростей ±500 º/c
Стабильность смещения нуля <0.3º/ч (1 σ, 10с) <0.2º/ч (1 σ, 10с) <0.1º/ч (1σ, 10с)
Повторяемость смещения нуля <0.3º/ч (1 σ) <0.2º/ч (1 σ) <0.1º/ч (1 σ)
Повторяемость смещения нуля на полном температурном диапазоне <0.6 º/ч <0.5 º/ч <0.3 º/ч
Коэффициент свободного блуждания <0.03 º/√ч <0.02 º/√ч <0.01 º/√ч
Нелинейность масштабного коэффициента <20ppm (1 σ)
Повторяемость масштабного коэффициента <20ppm (1 σ)
Повторяемость масштабного коэффициента на полном температурном диапазоне <1000ppm (1 σ) <300ppm (1 σ) <200ppm(1 σ)
Диапазон рабочих температур -40~+70 ºC
Температура хранения -50~+70 ºC
Вибрации 4.2g, 20~2000Гц

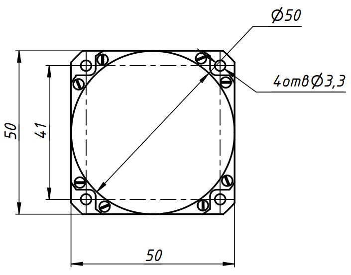
Габаритные размеры

чертеж Волоконно‑оптический гироскоп SSG‑DFM85
размеры Волоконно‑оптический гироскоп SSG‑DFM85

Дополнительные услуги от производителя

  • Настройка чувствительности и диапазона под проект.
  • Тестирование и температурная калибровка на уровне датчика.
  • Токовая оптимизация для долгосрочных миссий.
  • Интеграция в БИНС и готовые навигационные модули «под ключ».
  • Техническая поддержка на всех этапах – от выбора до запуска и логистики.

Если вам нужен надёжный волоконно‑оптический гироскоп или датчик угловой скорости с гарантированной точностью и быстрым запуском в условиях динамических нагрузок — SSG‑DFM85 оправдает ожидания. Его преимущества делают его оптимальным выбором для авиационно‑космической, военной и гражданской навигации.

Тип

Ось

Рабочая температура

Диапазон угловой скорости

Продолжая использовать сайт, вы соглашаетесь на обработку файлов cookie и Политикой обработки персональных данных.
Принять
Отказаться
Политика конфиденциальности