Кварцевый акселерометр тактического класса SSA-QSM
SSA-QSM — это высокоточный кварцевый акселерометр, разработанный для применения в системах инерциальной навигации, боевых машинах, авиации, аэрокосмической технике и в промышленном оборудовании, где требуется надежное и стабильное измерение линейных ускорений. Благодаря миниатюрным габаритам и высокой повторяемости, данный тактический акселерометр оптимально подходит для использования в условиях вибраций, температурных перепадов и ударных нагрузок.
Изделие обеспечивает аналоговый выход сигнала с линейной зависимостью между током и ускорением. Предусмотрена возможность выбора сопротивления нагрузки для настройки необходимой точности. Опционально может устанавливаться встроенный температурный датчик для компенсации температурных дрейфов масштабного коэффициента и нуля.
Области применения
- Системы залпового огня (Град, Торнадо)
- Средства ПВО и вооружения
- Военные инерциальные навигационные комплексы
- Бортовые инерциальные системы кораблей и авиации
- Специальные промышленные применения
Преимущества и ключевые особенности SSA-QSM
- Минимальный температурный дрейф нуля и чувствительности
- Отличная долговременная стабильность параметров
- Высокая устойчивость к ударам и вибрациям
- Недорогая и надежная модель для систем тактического и промышленного класса
- Аналоговый выход без сложной цифровой обработки
Основные характеристики моделей SSA-QSM4/5/6
| Параметр | SSA-QSM4 | SSA-QSM5 | SSA-QSM6 |
| Диапазон (g) | ±50 |
| Порог чувствительности (мкg) | 5 |
| Смещение (мg) | <5 | <7 | <10 |
| Масштабный коэффициент (mA/g) | 1.1±1.3 |
| Коэффициент нелинейности 2 порядка (мкg/g²) | <±20 | <±20 | <±20 |
| Дрейф смещения (1σ,1мес.)(мкg) | <30 | <50 | <80 |
| Повторяемость масштабного коэффициента (1σ,1мес.)(ppm) | <50 | <80 | <100 |
| Повторяемость нелинейности 2 порядка (1σ, 1 мес.) (мкg/g²) | <20 |
| Смещение по температурному коэффициенту (мкg/°C) | <20 | <30 | <40 |
| Изменение масштабного коэффициента по температурному (ppm/°C) | <40 | <50 | <80 |
| Шум (при сопротивлении 840Ом) (мВ) | <5 |
| Полоса пропускания (Гц) | >300 |
| Воздействия вибрации | 20g (20-2000Hz) |
| Ударное воздействие | 250g, 4.5ms, 1/2sin |
| Рабочая температура (°C) | -55~+96 |
| Напряжение питания (В) | ±13~±18 |
| Потребляемый ток (мА) | <20 |
| Размеры (мм) | Ø25×25 | Ø25.3×23 | Ø25×24 |
| Вес (г) | <55 |
Габариты
Размеры для моделей SSA-QSM4/5/6A (Круглый фланец)

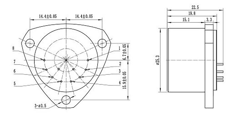
Размеры для моделей SSA-QSM4/5/6B (Треугольный фланец)

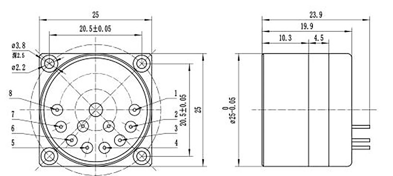
Размеры для моделей SSA-QSM4/5/6С (Квадратный фланец)

Дополнительные услуги
Компания Сенссет предоставляет услугу индивидуального отбора кварцевых акселерометров по методикам заказчика. По результатам испытаний изделия могут быть отнесены к исполнению СО (спецотбор). Также возможно проведение комплексных испытаний и настройки под специфические условия эксплуатации, включая температурные, вибрационные и ударные режимы.
Заказать модель под свои параметры
Приобрести
кварцевый акселерометр SSA-QSM по выгодной цене и с возможностью индивидуальной настройки можно напрямую у официального производителя. Предоставляется техническая поддержка, консультации по интеграции и рекомендации по эксплуатации.