Высокотемпературный кварцевый акселерометр
Загрузить техническую документацию
Загрузить брошюру
- Диапазон: ±30 g
- Смещение: < ±20 мg
- Шум: ≤8 мВ
- Напряжение питания: ±12~±15 В
- Ударное воздействие: 1000g, 0.5мс, ½ sin
- Рабочая температура: -40~+180°C
Высокотемпературный кварцевый акселерометр
Загрузить техническую документацию
Загрузить брошюру
SSA-QHTM — промышленный акселерометр нового поколения, специально разработанный для работы в условиях наклонно-направленного бурения, систем MWD (Measurement While Drilling), LWD (Logging While Drilling) и телеметрии в бурении. Датчик обеспечивает стабильные и точные измерения ускорений в экстремальных условиях высоких температур, вибраций и ударных нагрузок, что делает его незаменимым прибором для геотермального и нефтегазового бурения.
Применение высокотемпературных акселерометров актуально для эффективного контроля параметров скважины, оптимизации траектории бурения и обеспечения надежной телеметрии на глубине. Конструкция SSA-QHTM позволяет использовать его как в составе автономных инклинометрических модулей, так и в составе комплексных каротажных систем для бокового каротажа и контроля биения бурильного инструмента.
| Параметр | SSA-QHTM3 | SSA-QHTM4 | SSA-QHTM5 |
| Диапазон (g) | ±30 | ||
| Порог чувствительности (мкg) | 10 | ||
| Смещение (мg) | ≤10 | ≤15 | ≤15 |
| Масштабный коэффициент (mA/g) | 1.1±1.3 | 1.1±1.3 | 1.1±1.3 |
| Изменение масштабного коэффициента по температуре (ppm/°C) | <100 | <200 | <200 |
| Смещение по температурному коэффициенту (мкg/°C) | <50 | <100 | <100 |
| Повторяемость масштабного коэффициента (1 мес.) (ppm) | <80 | <150 | <150 |
| Повторяемость смещения (мкg) | <50 | <200 | <200 |
| Отклонение оси измерения (µrad) | <1500 | <1500 | <1500 |
| Шум (мкg-rms) | <3000µg-rms (0-10000Hz) | <3000µg-rms (0-10000Hz) | <3000µg-rms (0-10000Hz) |
| Полоса пропускания (Гц) | >300 | >300 | >300 |
| Воздействия вибрации | 25g (30~500Гц) | 25g (30~500Гц) | 25g (30~500Гц) |
| Ударное воздействие | 500g, 0.5мс, ½ sin | 1000g, 0.5мс, ½ sin | 1000g, 0.5мс, ½ sin |
| Рабочая температура (°C) | -55~+96 | -55~+155 | -55~+180 |
| Напряжение питания (В) | ±13~±18 | ||
| Потребляемый ток (мА) | <20 | ||
| Диаметр (мм) | Ø25 | ||
| Высота от дна до монтажной поверхности (мм) | <21.5mm | ||
| Вес (г) | <55 | ||
Компания Сенссет предоставляет комплексную инженерную поддержку по интеграции SSA-QHTM в системы заказчика, включая:
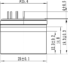
Размеры для стандартной моделей SSA-QHTM3 (круглый фланец)

Размеры для моделей SSA-QHTM4/5-A (круглый фланец с радиальными вырезами)


Размеры для моделей SSA-QHTM4/5-B (круглый фланец)


Размеры для стандартной моделей SSA-QHTM4/5-B2 (круглый фланец)


Размеры для моделей SSA-QHTM4/5-C (квадратный фланец )


Размеры для моделей SSA-QHTM4/5-D (квадратный фланец)


SSA-QHTM — это профессиональный датчик акселерометра, идеально подходящий для задач наклонно-направленного бурения, систем MWD, LWD, геотермального бурения и каротажа. Высокая точность, температурная стойкость и минимальный уровень шумов делают его эффективным решением для телеметрии в бурении, контроля параметров вибрации и биения.
| Класс продукта | Высокоточные |
|---|
Высокотемпературный кварцевый акселерометр
Загрузить техническую документацию
Загрузить брошюру
Высокоточный Кварцевый Акселерометр
Загрузить техническую документацию
Загрузить брошюру
Тактический Кварцевый Акселерометр
Загрузить техническую документацию
Загрузить брошюру
Тактический Кварцевый Акселерометр
Загрузить техническую документацию
Загрузить брошюру