Высокотемпературный кварцевый акселерометр
Загрузить техническую документацию
Загрузить брошюру
- Диапазон: ±30 g
- Смещение: < ±20 мg
- Шум: ≤8 мВ
- Напряжение питания: ±12~±15 В
- Ударное воздействие: 1000g, 0.5мс, ½ sin
- Рабочая температура: -40~+180°C
Высокотемпературный кварцевый акселерометр
Загрузить техническую документацию
Загрузить брошюру
SSA-QHTM — промышленный акселерометр нового поколения, специально разработанный для работы в условиях наклонно-направленного бурения, систем MWD (Measurement While Drilling), LWD (Logging While Drilling) и телеметрии в бурении. Датчик обеспечивает стабильные и точные измерения ускорений в экстремальных условиях высоких температур, вибраций и ударных нагрузок, что делает его незаменимым прибором для геотермального и нефтегазового бурения.
Применение высокотемпературных акселерометров актуально для эффективного контроля параметров скважины, оптимизации траектории бурения и обеспечения надежной телеметрии на глубине. Конструкция SSA-QHTM позволяет использовать его как в составе автономных инклинометрических модулей, так и в составе комплексных каротажных систем для бокового каротажа и контроля биения бурильного инструмента.
| Параметр | SSA-QHTM1 | SSA-QHTM2 |
| Диапазон (g) | ±30 | |
| Порог чувствительности (мкg) | 30 | |
| Смещение (мg) | ≤±20 | ≤±20 |
| Масштабный коэффициент (mA/g) | 1.9±2.1 | 1.9~2.1 |
| Коэффициент нелинейности 2 порядка (мкg/g²) | ≤±20 | ≤±50 |
| Дрейф смещения (1σ, 1 мес.) (мкg) | ≤150 | ≤220 |
| Стабильность масштабного коэффициента (1σ, 1 мес.) (ppm) | ≤150 | ≤220 |
| Стабильность нелинейности 2 порядка (1σ, 1 мес.) (мкg/g²) | ≤±40 | ≤±50 |
| Смещение по температурному коэффициенту (мкg/°C) | ≤±80 | ≤±150 |
| Изменение масштабного коэффициента по температурному (ppm/°C) | ≤±100 | ≤±200 |
| Шум (при сопротивлении 840 Ом) (мВ) | ≤8 | ≤8.4 |
| Собственная частота (Гц) | 350~800 | 350~800 |
| Полоса пропускания (Гц) | 800~2500 | 800~2500 |
| Воздействия вибрации | 25g (20~2000Гц) | 25g (20~2000Гц) |
| Ударное воздействие | 1000g, 0.5мс, ½ sin | 1000g, 0.5мс, ½ sin |
| Рабочая температура (°C) | -40~+150 | -40~+180 |
| Температура хранения (°C) | -60~+180 | -60~+200 |
| Напряжение питания (В) | ±12~±15 | |
| Потребляемый ток (мА) | ±20 | |
| Размеры (мм) | Ø18.2*16 | |
| Вес (г) | 25 | |
Компания Сенссет предоставляет комплексную инженерную поддержку по интеграции SSA-QHTM в системы заказчика, включая:
Размеры для моделей SSA-QHTM1/2-A (круглый фланец)

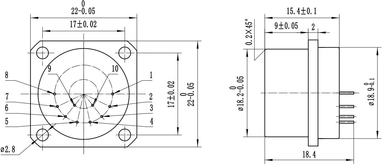
Размеры для моделей SSA-QHTM1/2-B (квадратный фланец)

SSA-QHTM — это профессиональный датчик акселерометра, идеально подходящий для задач наклонно-направленного бурения, систем MWD, LWD, геотермального бурения и каротажа. Высокая точность, температурная стойкость и минимальный уровень шумов делают его эффективным решением для телеметрии в бурении, контроля параметров вибрации и биения.
| Класс продукта | Высокоточные |
|---|
Тактический Кварцевый Акселерометр
Загрузить техническую документацию
Загрузить брошюру
Высокоточный Кварцевый Акселерометр
Загрузить техническую документацию
Загрузить брошюру
Высокотемпературный кварцевый акселерометр
Загрузить техническую документацию
Загрузить брошюру
Высокоточный Кварцевый Акселерометр
Загрузить техническую документацию
Загрузить брошюру